| 公稱通徑 | DN50~DN1200(mm) |
| 壓力等* | PN1.0、1.6、2.5MPa |
| 連接方式 | 對夾或法蘭連接 |
| 閥芯形式 | 碟板式 |
| 驅動方式 | 氣源驅動,壓縮空氣5~7bar(可帶手輪) |
| 動作范圍 | 0~90° |
| 密封材質 | 各種橡膠、聚四氟乙烯 |
| 工作場合 | 各種腐蝕性介質等(常溫常壓、低溫低壓場合) |
| 附件選項 | 定位器、電磁閥、空氣過濾減壓器、保位閥、行程開關、閥位傳送器、手輪機構等 |
| 控*方式 | 開關兩位控*,氣開、氣關式、彈簧復位、智能調節型(4~20mA模擬量信號) |
|
氣動軟密封蝶閥優點:
1、結構簡潔,流阻系數小,流量特性趨于直線,不會滯留雜物。
2、蝶板與閥桿的連接采用無銷釘結構,克服了有可能的內泄漏點。
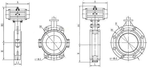
3、分為氣動對夾式軟密封蝶閥和氣動法蘭軟密封蝶閥,滿足不同管道。
4、密封件可以更換,密封性能可靠達到雙向密封零泄漏。
5、密封材料耐老化、耐腐蝕,使用壽命長。 |
![]() 氣動對夾式軟密封蝶閥結構 氣動法蘭軟密封蝶閥結構 |
|
材料品種 |
氯丁橡膠 |
丁腈橡膠 |
乙丙橡膠 |
聚四氟乙烯 |
硅橡膠 |
氟橡膠 |
|
代號 |
×或 0rJ |
XA或orJA |
XB或orJB |
xC、JC或0rF |
XD或orJD |
× E或orJE |
|
耐**溫度 |
82℃ |
93℃ |
150℃ |
232℃ |
250℃ |
204℃ |
|
耐*低溫度 |
-40℃ |
-40℃ |
-40℃ |
-268℃ |
-70℃ |
-23℃ |
|
適用工作溫度 |
≤65℃ |
≤80℃ |
≤120℃ |
≤200℃ |
≤200℃ |
≤180℃ |










